Carrinho  

Nenhum produto

Total R$ 0,00

Finalizar Carrinho

    Categorias

    RECEBER NOVIDADES E PROMOÇÕES

    Depoimentos

    comprei uma placa Módulo Dimmer para Arduino e ESP32 MC-8A com sinal Zero Cross 220V e alguns outros itens. Gostei muito da qualidade dos produtos e da entrega rápida deles. Recomendo pra quem precisar.
    JULIAN
    ESTEIO - RS
    São confiáveis pela responsabilidade nos processos e nos preços. Tenho preferido as compras com a Usinainfo a comprar na China. Estão de parabéns! Continuem expandindo este modelo de negócios. Forte Abraço!
    DINO
    CURITIBA
    Dimensões célula de carga 1kg - Thumb 1
    Dimensões célula de carga 1kg - Thumb 2
    Dimensões célula de carga 1kg - Thumb 3
    Dimensões célula de carga 1kg - Thumb 4
    Dimensões célula de carga 1kg - Thumb 5
    Ilustração de testes na célula de carga 1kg - Thumb 6

    Sensor de Peso Célula de Carga 0 a 1kg - YZC-131

    10440
    Novidade
    • ADICIONAR AMPLIFICADOR DE SINAL:
    R$ 37,52
    no pix/boleto
    ou R$ 39,49 no cartão
    Quantidade:Qtd:

    O frete e parcelamento serão calculados no carrinho

    O Sensor de Peso 0 a 1Kg trata-se de um acessório eletrônico capaz de detectar diferentes cargas que estejam sobre sua meia-ponte, entretanto para funcionamento deve atuar em conjunto com uma plataforma de prototipagem, entre elas, Arduino, PIC, ARM, AVR, entre outros.

    Comumente, é empregado na construção de balanças, onde cada célula de peso consegue medir até 1kg, mas é possível combinar simultaneamente mais sensores para aumentar a capacidade.

    O funcionamento do Sensor de Peso 0 a 1Kg é simples, sobre seu centro existe uma área sensível responsável por detectar a carga, não necessariamente o peso precisa ser aplicado sobre essa área para a obtenção de resultados.

    É possível realizar testes em sua célula de carga, para verificar se está em bom estado. Utilize um multímetro na escala de resistência e meça os pares vermelho e preto, que devem apresentar resistência aproximada de 1000Ω (ohms), variando 50Ω para mais ou para menos.

    Já na com os outros dois fios, verde e branco, deve apresentar cerca de 1000Ω (ohms), com variação de 50Ω para mais ou para menos também. Estando dentro destes valores sua célula está perfeita para uso.


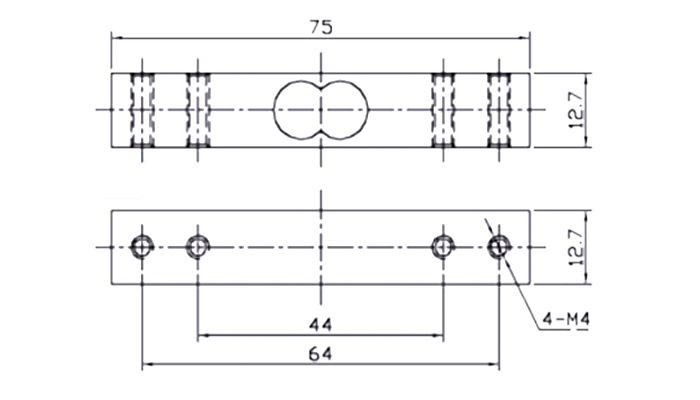
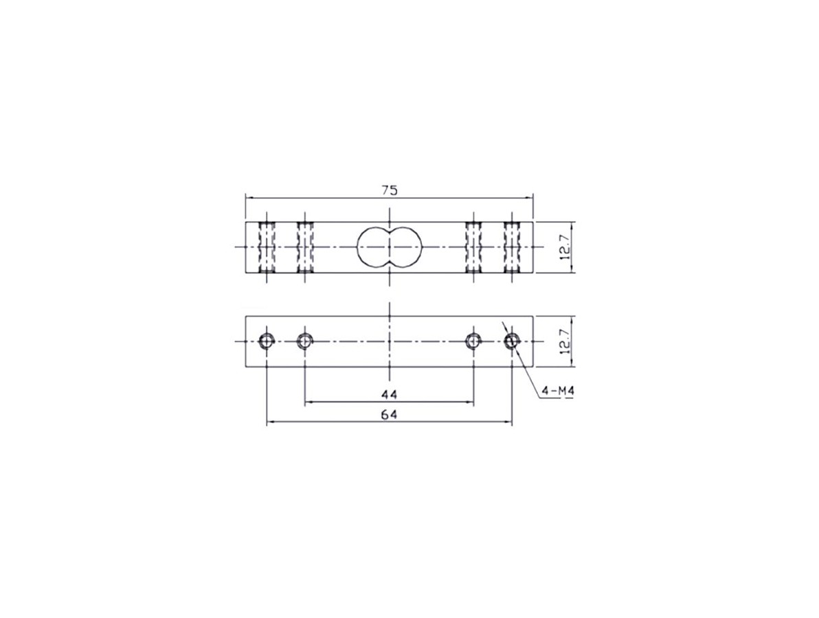
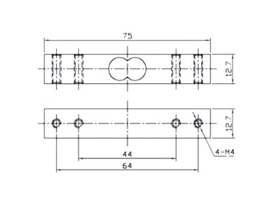
    Dimensões célula de carga 1kg - [1036470]
    Dimensões célula de carga 1kg

    Ilustração de testes na célula de carga 1kg - [1036471]
    Ilustração de testes na célula de carga 1kg

    Mecanicamente, ele é composto por uma ponte resistiva que altera sua resistência conforme o peso aplicado. Eletricamente quando o Sensor de peso entra em operação, ou seja, é aplicado determinado peso, ele envia uma tensão ao microcontrolador, conforme o peso a tensão de saída vai variar. Importante lembrar que a tensão é tão baixa que é necessário utilizar um amplificador de sinal para comunicação com o Arduino, comunicação esta que não deve ser feita por meio de pino digital.

    Projeto no Blog: “Balança Arduino com Célula de Peso e HX711 – Tutorial Calibrando e Verificando Peso".

     

    CARACTERÍSTICAS:

    - Sensor de Peso / célula de peso 0 a 1Kg;
    - Load cell;
    - Célula de Carga Arduino;
    - Compatível com Arduino, PIC, ARM, AVR, entre outros;
    - É possível combinar diversos sensores para aumentar a capacidade de carga;
    - A tensão de saída varia conforme o peso;
    - Fabricado em alumínio;
    - Excelente relação custo x benefício;
    - É necessário utilizar um amplificador de sinal.

    ESPECIFICAÇÕES:

    - Carga nominal: 0 a 1 kg;
    - Potência nominal de saída: 1.0mv/v ± 0.15mv/v;
    - Zero saída: ± 0,1mv/v;
    - Creep: 0,1% f.s./5 Min;
    - Extremidade de entrada: Vermelho + (energia), Preto - (energia);
    - Extremidade de saída: Verde + (sinal), Branco - (sinal);
    - Tensão de funcionamento recomendada: 3 ~ 12 VDC;
    - Tensão máxima de operação: 15 VDC;
    - Impedância de entrada: 1000 +/- 50 ohm;
    - Impedância de saída: 1000 +/- 50 ohm;
    - Isolamento: > 2000 megaohm/50 VDC;
    - Faixa de compensação de temperatura: -10C ~ +40C;
    - Faixa de temperatura de operação: -21C ~ +40C;
    - Classe de proteção: IP65;
    - Material: liga de alumínio;
    - Parafusos necessários: 4 x M4 (4mm) - Não Acompanham;
    - Dimensões (CxLxE): 75x12,7x12,7mm;
    - Peso: 27g.

    Leia Mais

    Outros Produtos na Categoria [8 Sugestões]

    Comentários

    Sem comentários no momento.

    Faça login para comentar

    Escreva seu comentário
    Sensor de Peso Célula de Carga 0 a 1kg - YZC-131
    *Fotos e vídeos meramente ilustrativos. Sempre verifique a descrição do produto. Em caso de dúvida, entre em contato com o nosso suporte por meio do Fale Conosco. Recomendamos buscar uma assistência técnica para instalação.
    *Nota para Pessoa Jurídica: Os produtos são comercializados para uso/consumo ou industrialização. Caso compre para revenda, em alguns Estados é necessário o pagamento de Substituição Tributária, os preços exibidos não incluem Substituição Tributária. Para ter o cálculo, faça seu pedido normalmente e solicite ao nosso suporte, por meio do Fale Conosco o valor da Substituição Tributária adicional ao seu pedido. Faça o pagamento dele somente após esta solicitação.